[elektro-etc] Nyomáskapcsoló

Fekete Róbert frobi at harden.hu
Wed Sep 1 09:40:55 CEST 2010


hát ha már.... akkor inkább egy kicsit szélesebb csövet és annak végére 
egy gumihártyát raknék( pl: lufiból ) akkor nem kell fujkálni semmit se

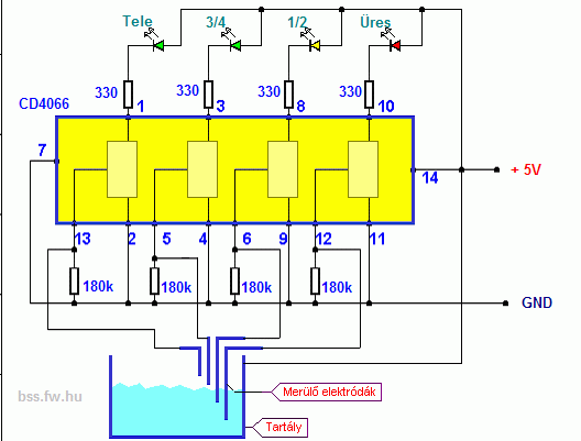
egyébként meg pl itt egy egyszerű megoldás
http://www.hobbielektronika.hu/forum/files/b2/b2980c67d2a8be077c68954c16a9c762.gif

de proci adc vel hasonlóan el lehet intézni a dolgot
minimális áram, rozsdamentes szondákkal évtizedek mire elpusztul


2010-09-01 09:22 keltezéssel, jhidvegi írta:
> Fekete Róbert wrote:
>
>> ugyanilyen berendezésen volt hiba hog ymindíg hibás szintet jelzett de
>> csak egy idő után.. kiderült hogy szar volt a cső heggsztése és 3-5
>> óra alatt elszivárgott a nyomás, leeresztés ujratöltés után persze
>> mindíg jó volt...
>
> Az nem fordulhat elő, hogy egyszerűen feloldódik a levegő a közegben?
> Ha nekem kéne így mérnem, azt tenném, hogy beszerelnék még egy akvárium
> levegőztetőt is, ami időnként ha kell, ha nem, fújna egy kis levegőt a
> mérő térbe. Mondjuk óránként néhány másodpercig.
>
> Egyszer egy nagyon profi berendezéshez is javasoltam ilyet valakinek,
> persze nem csinálták meg. Abban is a 2 méteres vízszintet ilyen módon
> érzékelte valami. Ráadásul ez RO víz volt, szóval jó eséllyel lassan, de
> biztosan oldja a levegőt.
>
> hjozsi
>



More information about the Elektro-etc mailing list